蝶阀又叫翻板阀,是一种结构简单的调节阀,可用于低压管道介质的开关控制。蝶阀的启闭件叫做蝶板,呈圆盘形围绕阀杆旋转来达到开启与关闭。
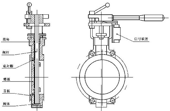
蝶阀根据连接形式的不同能分成法兰式蝶阀和对夹式蝶阀;按照结构形式可以分为中线蝶阀和偏心蝶阀。蝶阀的结构非常的简单,有阀体、阀杆、阀座、蝶板和传动机构组成,常见的传动方式有手柄、涡轮、气动、电动。下面我们来针对蝶阀的结构图来对蝶阀做一个解析。

1、阀体是整个蝶阀的支撑,几种常见的材质按照性能从左往右依次是,灰铸铁、球墨铸铁、铸钢、不锈钢。其中灰铸铁材质的蝶阀性能最一般,不锈钢材质的蝶阀性能最优。
2、阀杆在阀体内部,连接蝶阀的传动装置和蝶板,通过驱动传动装置带动阀杆运动,阀杆又带着蝶板做旋转来实现蝶阀的开启和关闭。阀杆的材质通常使用不锈钢。
3、阀座和蝶板一样,都是在管道内部直接接触介质的部件,受到介质的冲刷和腐蚀也是最大的。蝶阀按照阀座的不同还能分为软密封蝶阀和金属硬密封蝶阀,软密封蝶阀使用最多的阀座材质有三元乙丙、丁腈和聚四氟乙烯,拥有良好的密封性能,可以做到零泄漏。而金属硬密封蝶阀的阀座通常是金属材质,可以更好地适用高温高压环境中。蝶板的材质最常见的有两种,球墨铸铁和不锈钢,上面我们已经说过阀体常用的几种材质,在同一个蝶阀上,蝶板所使用的材质性能要少要高于阀体材质一个等级。
4、蝶阀的传动装置上面已有介绍,手柄、涡轮、气动、电动四种最常见的驱动方式。其中手柄蝶阀和涡轮蝶阀都需要人来进行操作,也叫手动蝶阀。气动蝶阀和电动蝶阀则属于自动阀门。