当前位置:网站首页 > 产品中心 > 蜗轮箱系列

2023/5/8 13:45:06

分享
  • 分享到微信朋友圈

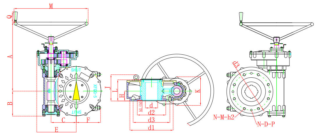
XFQGS型双级手动蜗轮箱

  • 产品描述

该系列是一款90°部分回转驱动装置,适用于球阀、蝶阀、旋塞阀等类型阀门。

该系列是直齿轮箱与蜗轮箱对接组合成为二级传动蜗轮减速增压机构,提高了机械总效率,形式多样具有高传动效率的优势,稳定的自锁设计,优越的齿轮接触比。

防护等级:IP68

温度界限标配:-20℃ to+120℃

高温:-45℃ to +260℃

输入小力矩,开动大阀门,使操作人员省力,每种型号提供多个传动比,能更好的匹配不同规格的阀门。

推荐产品

版权所有 2018 浙江旭景泵阀有限公司 浙ICP备13007858号   浙公网安备33032402002606号    网站地图 技术支持:云鼎科技